欢迎光临天机传动官网,今天是:

磁粉制动器

  • 首 页
  • 产品中心
  • 磁粉制动器
  • 实力展示
  • 关于我们
  • 技术支持
  • 在线留言
  • 成功案例
  • 联系我们

    产品中心

    • 磁粉制动器
    • 磁粉离合器
    • 磁粉刹车器
    • 电磁离合器
    • 电磁制动器
    • 微型电磁离合器
    • 微型电磁制动器
    • 张力控制器
    • 电磁离合刹车器组合体
    • 金牌对边机伺服纠偏器
    • 气涨轴安全夹头
    • WP蜗轮蜗杆减速机
    • 离合刹车减速机
    • NMRV铝合金蜗轮蜗杆减速机
    • 无极变速机
    • 非标减速机电磁离合制动器组
    • 空压式离合器制动器

    联系我们

      联系人:陈小姐
      手 机:18027055835
      电 话:
      传 真:0769-85704468
      邮 箱:huang@dgtaiji.com.cn
      网 址:www.szlangan.com
      地 址:广东东莞市大朗镇松木山村利昌路13号

    您当前的位置:首页 > 产品中心 > WP蜗轮蜗杆减速机

    上一篇:WPX蜗轮减速机,WPX蜗杆减速机,卧式WPX蜗轮蜗杆减速机

    下一篇:WPDX蜗轮减速机,WPDX蜗杆减速机,WPDX涡轮减速器,WPDX涡杆减速器

    • 名称: WPO减速机,铸铁减速机,WP蜗轮蜗杆减速机

    • 分类: WP蜗轮蜗杆减速机

    •  
    • 分享到:

      详细介绍:

      WPO减速机,铸铁减速机,WP蜗轮蜗杆减速机是东莞市台机减速机有限公司(台湾天机牌)生产厂家制造销售的一款工业减速机,在用于传递动力与运动的机构中,减速机的应用范围相当广泛。
      WPO减速机,铸铁减速机,WP蜗轮蜗杆减速机内部结构及安装参数:基本结构主要由传动零件蜗轮蜗杆、轴、轴承、箱体及其附件所构成。可分为有三大基本结构部:箱体、蜗轮蜗杆、轴承与轴组合。箱体是蜗轮蜗杆减速机中所有配件的基座,是支承固定轴系部件、保证传动配件正确相对位置并支撑作用在减速机上荷载的重要配件。蜗轮蜗杆主要作用传递两交错轴之间的运动和动力,轴承与轴主要作用是动力传递、运转并提高效率。
    减速机厂家
      WPO减速机,铸铁减速机,WP蜗轮蜗杆减速机部分附件解说如下:
    1.油盖/通气器,主要用于排出涡轮蜗杆减速机机箱内的气体;
    2.端盖,分为大端盖和小端盖,端盖为固定轴系部件的轴向位置并承受轴向载荷,轴承座孔两端用轴承盖封闭;
    3.油封;主要使用防止机箱内部的润滑油外泄,提高润滑油的使用时间;
    4.放油螺塞,主要用于更换润滑油时排放污油和清洗济;
    5.油标盖/油标,主要用于观察涡轮蜗杆减速机机箱内部的油量是否达标;
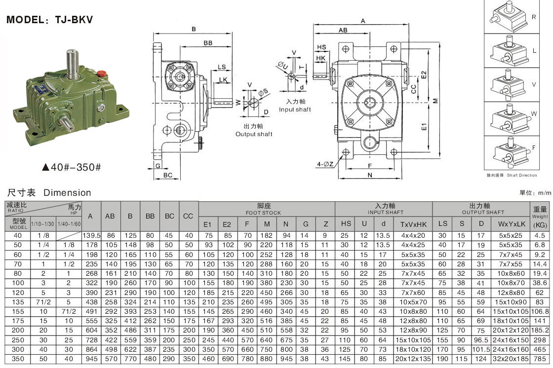
      以下是WPO减速机,铸铁减速机,WP蜗轮蜗杆减速机型号选型表

    WPO减速机

    上一篇:WPX蜗轮减速机,WPX蜗杆减速机,卧式WPX蜗轮蜗杆减速机

    下一篇:WPDX蜗轮减速机,WPDX蜗杆减速机,WPDX涡轮减速器,WPDX涡杆减速器

      其它产品

    WPA减速机,WPA蜗轮减速机,WPA蜗杆减速机

    WPA减速机,WPA蜗轮减速机,WPA蜗杆减速机
    WPDKS蜗轮蜗杆减速机,空心轴蜗轮蜗杆减速机,自锁蜗轮蜗杆减速机

    WPDKS蜗轮蜗杆减速机,空心轴蜗轮蜗杆减速机,自锁蜗轮蜗杆减速机
    WPDA蜗轮蜗杆减速机,立式蜗轮蜗杆减速机带法兰盘

    WPDA蜗轮蜗杆减速机,立式蜗轮蜗杆减速机带法兰盘
    WPS减速机,WPS蜗轮蜗杆减速机,WPS自锁减速机

    WPS减速机,WPS蜗轮蜗杆减速机,WPS自锁减速机
    WPX蜗轮减速机,WPX蜗杆减速机,卧式WPX蜗轮蜗杆减速机

    WPX蜗轮减速机,WPX蜗杆减速机,卧式WPX蜗轮蜗杆减速机
    WPDK蜗轮蜗杆减速机,立式蜗轮蜗杆减速机

    WPDK蜗轮蜗杆减速机,立式蜗轮蜗杆减速机
    WPDO蜗轮蜗杆减速机,卧式蜗轮蜗杆减速机,法兰式蜗轮蜗杆减速机

    WPDO蜗轮蜗杆减速机,卧式蜗轮蜗杆减速机,法兰式蜗轮蜗杆减速机
    WPDX蜗轮减速机,WPDX蜗杆减速机,WPDX涡轮减速器,WPDX涡杆减速器

    WPDX蜗轮减速机,WPDX蜗杆减速机,WPDX涡轮减速器,WPDX涡杆减速器
    WPO减速机,铸铁减速机,WP蜗轮蜗杆减速机

    WPO减速机,铸铁减速机,WP蜗轮蜗杆减速机

    首 页 产品中心磁粉制动器实力展示关于我们技术支持在线留言成功案例联系我们
    主营产品:磁粉制动器  磁粉刹车器  磁粉离合器  张力控制器  电磁离合器  电磁制动器  电磁刹车器  
    电    话:唐小姐 18028287736    传真:0769-85704468   邮箱:huang@dgtaiji.com.cn
    地    址:广东东莞市大朗镇松木山村利昌路13号
    版权所有:版权所有:东莞市台机减速机有限公司   京ICP证000000号
    • 游小姐
    • 旺旺在线
    • 微信扫一扫,联系我们